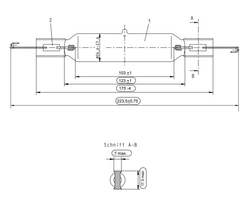
General Data
Electric Parameters
Light Application Parameters
Specification
Notes on Operation
Notatki
Spectrum

General notes
The technical design data in accordance with DIN and IEC.
The producer does not take any responsibility for damage to persons or property in case of unsuitable
operation or handling of the product.
Operating data and dimensions are valid within the usual tolerances.
Related lamp types (different bases, mains voltages) may be available on request.
Sale and delivery are effected in accordance with the Radium Terms of Delivery and Payment valid on
the day of conclusion of contract.
Packing units offer economical advantages to the purchase and logistic department. Please match
your quantity volume accordingly. For orders of a minimum quantity (clefts) with a lamp model the
amount lower than the volume of each packaging unit, we will invoice 10 % additional charge per lamp type.
Technical changes and terms of delivery are reserved.
Manipulation of any kind to packaging or product is not permissible as this will violate Radium brand
rights. Furthermore, technical properties of the product can change to its disadvantage or even
destruction. Therefore, Radium cannot be responsible for consequential damages.
® = Registered trademark
Subject to change without notice. Errors and omissions excepted.